Mauer Sluitplaat 432 rvs Din Links
Mauer Sluitplaat 432 rvs Din Links
Lees meer€ 12,40 Per stuk
Op voorraad
Vóór 15:00 besteld, vandaag verzonden.
Op voorraad
- Vóór 15:00 besteld, vandaag verzonden
- 30 dagen recht op retour
- Bestellingen boven de € 99,- Gratis verzonden
- Garantie informatie
Productomschrijving
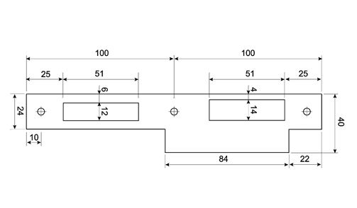
Mauer Sluitplaat 432 rvs Din Links
L=200x24x2,00mm rechthoekig rvs
Geschikt voor o.a. smaldeursloten (zie gerelateerde producten)
Din Links (zie afbeelding 2)
Productspecificaties
Productnummer
MA08432106
Leveranciercode
08432106
EAN
8715791053310
Hoekvorm
Rechte hoeken
Type sluitplaat
Sluitplaat voor dag- en nachtschoot
Type lip
Kort
Lengte sluitplaat/kom
200 mm
Kleur
Zilver
Links-rechts
Links
Materiaal
RVS
Reviews
1-1 van 1 beoordeling
Beoordeling toevoegen
Mauer Sluitplaat 432 rvs Din Links
Je beoordeling
* Beoordeling is vereist
Naam
* Naam is vereist
E-mail
* E-mail is vereist
Hulp nodig?
Contactformulier
Antwoord binnen 1 werkdag



Prima plaatje. Helaas eerst de plaat met ronde hoeken ontvangen, maar kreeg na contact met helpdesk direct gratis de juiste alsnog toegezonden. Goede service.