Intersteel Set geleide- en afstandhouders tbv schuifdeursysteem, incl. bevestiging, zwart
Intersteel Set geleide- en afstandhouders tbv schuifdeursysteem, incl. bevestiging, zwart
Lees meer€ 2,35 Per stuk
Op voorraad
Vóór 15:00 besteld, vandaag verzonden.
Op voorraad
- Vóór 15:00 besteld, vandaag verzonden
- 30 dagen recht op retour
- Bestellingen boven de € 99,- Gratis verzonden
- Garantie informatie
Productomschrijving
Intersteel Set geleide- en afstandhouders tbv schuifdeursysteem, incl. bevestiging, zwart
Schuifdeuren zijn geschikt voor elk interieur. U kunt met een schuifdeur een kamer scheiden of gebruiken als ruimtebesparende toegangsdeur. Daarnaast geeft het uw interieur een fraai uiterlijk en is het de trend van dit moment. Voor een verlenging van dit systeem kunt u gebruik maken van tussenrails. Deze zijn verkrijgbaar in twee maten 45 cm en 90 cm. Voor de montage van deze verlenging kunt u gebruik maken de aparte bevestiging set. Daarnaast heeft u een geleider en afstand houders nodig. Met een geleider zorgt u voor een goede geleiding van de deur. Met de afstand houders zorgt u ervoor dat de deur niet gaat kantelen.
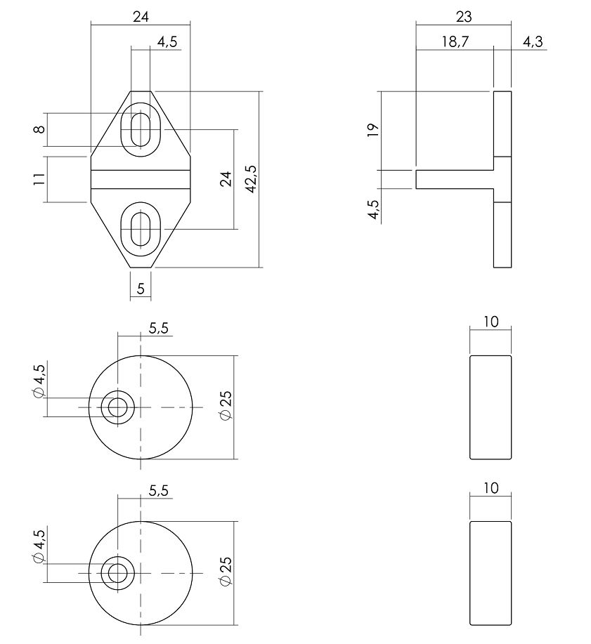
Wat zit er in de verpakking:Â
–Â Afstandhouders voor op de deur
– Schuifdeur vloergeleider
– Bevestigingsmateriaal
Alle maten zie afbeelding 2.
Onderhoud
Dit deur- of raambeslag is voorzien van een mat zwarte coating. Wij adviseren het product regelmatig af te nemen met een zachte, eventueel vochtige doek. Het kan voorkomen dat de zwarte finish na verloop van tijd lichter wordt. Door het aanbrengen van een dun laagje zuurvrije vaseline neemt dit effect grotendeels weg.
Tips!
•   Regelmatig onderhoud verlengt de levensduur van het product.
•   Gebruik geen agressieve reinigingsmiddelen en schuurmiddelen.
•   Verwijder het beslag bij schuur- en schilderwerkzaamheden.
•   Neem beschermende maatregelen zoals het plaatsen van deurstoppers.
Over IntersteelÂ
Intersteel heeft zich gespecialiseerd in het produceren van design deurkrukken en aanverwant deurbeslag. Dit betekent dat het bedrijf extreem veel aandacht besteedt aan de stijl en uitstraling van haar producten. Het onderscheidende design verheft alledaagse producten als deurkrukken of raamsluitingen, die normaal niet eens worden opgemerkt, tot de finishing touch van uw interieur. Ook de kwaliteit en functionaliteit van Intersteel is van hoog niveau, zodat u jaren plezier zult hebben van uw aankoop.
Productspecificaties
Reviews
Intersteel Set geleide- en afstandhouders tbv schuifdeursysteem, incl. bevestiging, zwart



Prima