Inboorpaumelle voor houten deuren en kozijnen zwart
Inboorpaumelle voor houten deuren en kozijnen zwart
Lees meer€ 3,95 Per stuk
Op voorraad
Vóór 15:00 besteld, vandaag verzonden.
Op voorraad
- Vóór 15:00 besteld, vandaag verzonden
- 30 dagen recht op retour
- Bestellingen boven de € 99,- Gratis verzonden
- Garantie informatie
Productomschrijving
Inboorpaumelle voor houten deuren en kozijnen zwart
De draagkracht per paumelle is 20kg.
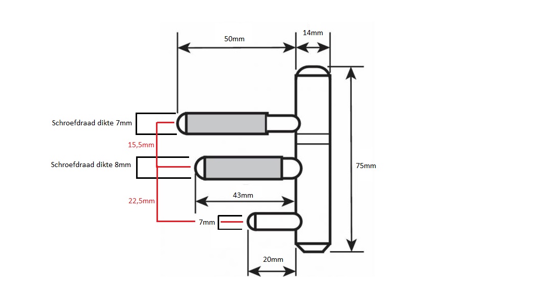
Inboorpaumelle Ø 14 mm met zwart nylon ring. Deze inboorpaumelle is geschikt voor houten deuren en kozijnen. Het materiaal is staal zwart.
| Soort ring | zwart nylon |
| Soort kozijn | houten kozijnen |
| Toepassing | t.b.v. opdek binnendeuren |
Productspecificaties
Productnummer
DM6001.475.5443
Leveranciercode
6001.475.5443
EAN
8714140210817
Materiaal
Staal
Kleur
Zwart
Finish
Gelakt
Scharnier type
Paumelle
Reviews
1-2 van 18 beoordelingen
Beoordeling toevoegen
Inboorpaumelle voor houten deuren en kozijnen zwart
Je beoordeling
* Beoordeling is vereist
Naam
* Naam is vereist
E-mail
* E-mail is vereist
Hulp nodig?
Contactformulier
Antwoord binnen 1 werkdag


Prima scharnier, Handig dat hij makkelijk afstelbaar is.
top